4ФС 24
Характеристики изделия:
| Параметр | Значение |
|---|---|
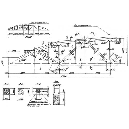
| длина | 23940 мм |
| ширина | 350 мм |
| высота | 3315 мм |
| масса | 18600 кг |
| нормативный документ | ГОСТ 20213-89 |
Цена:
Рассчитать стоимость4ФС 24 Фермы раскосные сегментные ГОСТ 20213-89.
| Параметр | Значение |
|---|---|
| длина | 23940 мм |
| ширина | 350 мм |
| высота | 3315 мм |
| масса | 18600 кг |
| нормативный документ | ГОСТ 20213-89 |
4ФС 24 Фермы раскосные сегментные ГОСТ 20213-89.
