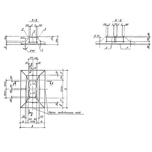
Ф4

Чертеж изделия:
Характеристики изделия:
ПараметрЗначение
длина3000 мм
ширина4500 мм
высота900 мм
вес14380 кг
серия0-221-84

Ф4 Плиты фундаментные по серии 0-221-84.