БЛО 64.4
Характеристики изделия:
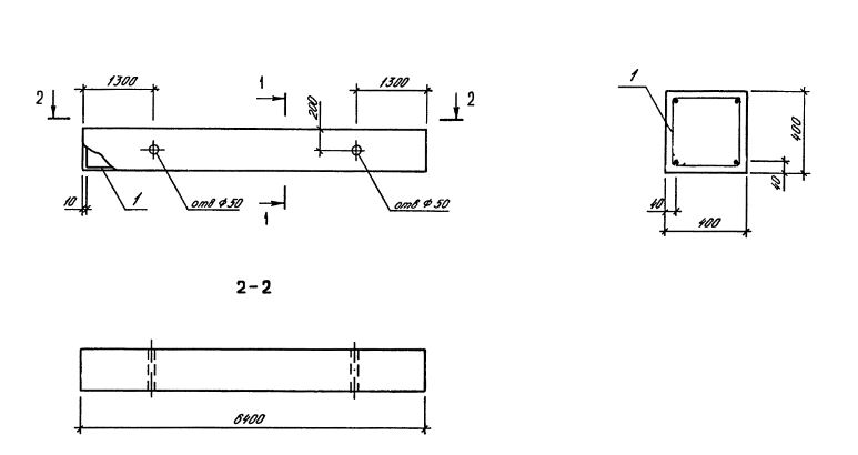
| Параметр | Значение |
|---|---|
| длина | 6400 мм |
| ширина | 400 мм |
| высота | 400 мм |
| масса | 2570 кг |
| нормативный документ | Серия 1.020.1-3пв |
Цена:
Рассчитать стоимостьБЛО 64.4 Балки обвязочные Серия 1.020.1-3пв.
| Параметр | Значение |
|---|---|
| длина | 6400 мм |
| ширина | 400 мм |
| высота | 400 мм |
| масса | 2570 кг |
| нормативный документ | Серия 1.020.1-3пв |
БЛО 64.4 Балки обвязочные Серия 1.020.1-3пв.