НЦ 15.18.55

Чертеж изделия:
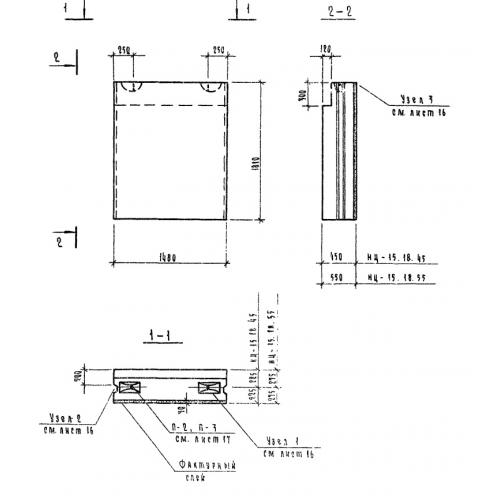
Характеристики изделия:
ПараметрЗначение
длина1480 мм
ширина550 мм
высота1810 мм
вес3340 кг
серия1.116-5

НЦ 15.18.55 Наружные цокольные блоки по серии 1.116-5.