СЦТ1л-38.26.25

Чертеж изделия:
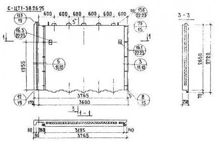
Характеристики изделия:
ПараметрЗначение
длина3465 мм
ширина250 мм
высота2720 мм
масса5310 кг
нормативный документСерия 1.117-12с

Панели стеновые цокольные СЦТ1л-38.26.25  (Серия 1.117-12с).

Панели с толщиной внутреннего несущего слоя 120 и 160 мм.

С - для сейсмических районов.

Ц - тип конструкции- наружная цокольная стеновая панель.

Т - тип в плане здания ( Р - рядовая, Т - торцевая).

1 - группа по характеру применения.

Цифровое обозначение (записаны через точку) - габариты изделия (длина, высота, толщина) в дециметрах.

"Л" - характеризует зеркальность панели.