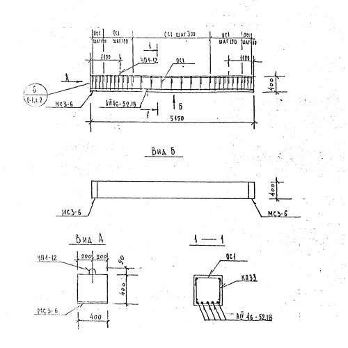
Б 52

Чертеж изделия:
Характеристики изделия:
ПараметрЗначение
длина5150 мм
ширина400 мм
высота400 мм
вес2050 кг
серия1.125 КЛ-3

Б 52 Балки по серии 1.125 КЛ-3.