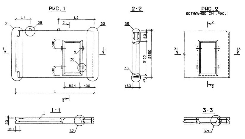
В2 5-52.27.16-2Л

Чертеж изделия:
Характеристики изделия:
ПараметрЗначение
длина5230 мм
ширина160 мм
высота2650 мм
масса4850 мм
нормативный документСерия 1.131-2/82

Серия 1.131-2/82  Панели внутренних поперечных стен толщиной 120 и 160 мм.

В2 5-52.27.16-2л  Внутренняя стеновая панель. (рис.2)