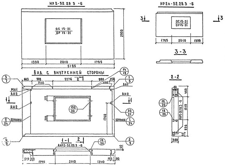
НР2л-52.29.3-6

Чертеж изделия:
Характеристики изделия:
ПараметрЗначение
Длина5195 мм
Ширина300 мм
Высота2900 мм
Масса5000 кг
Нормативный документСерия 1.132-2

НР2л-52.29.3-6    Наружная стеновая панель рядовая по Серии 1.132-2.