2ПР 11

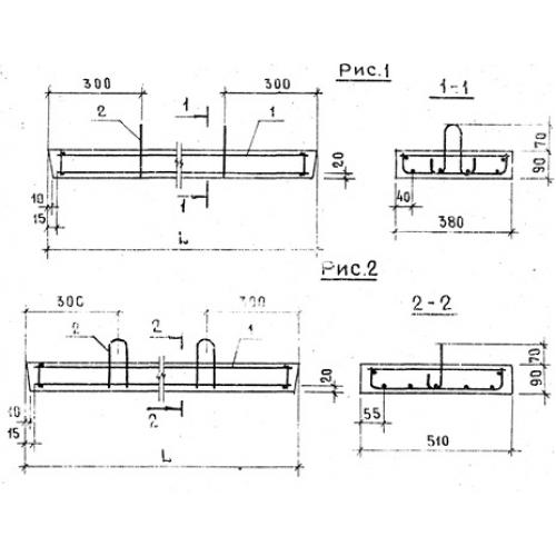
Чертеж изделия:
Характеристики изделия:
ПараметрЗначение
длина1160 мм
ширина510 мм
высота90 мм
вес133 кг
серия1.138-10

2ПР 11 Перемычки плитные по серии 1.138-10.