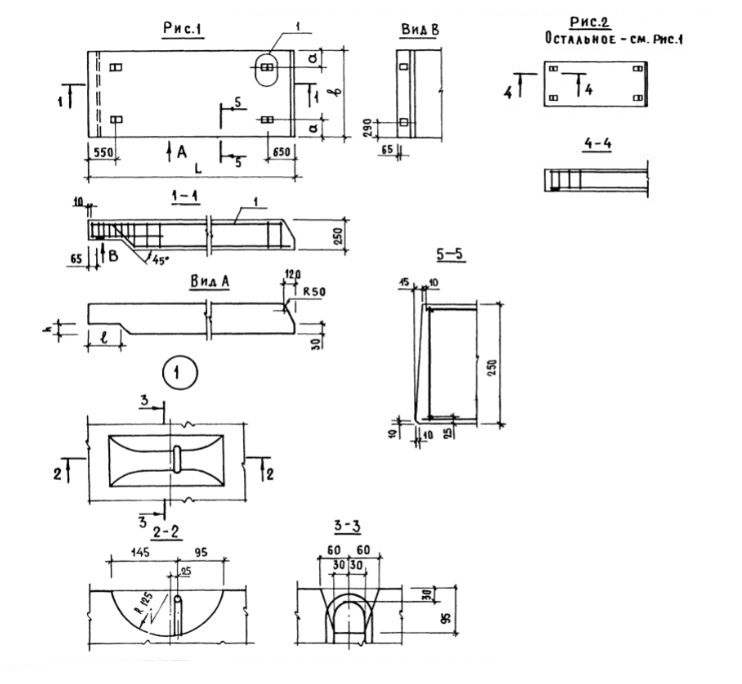
ПРТ 48.24.25

Чертеж изделия:
Характеристики изделия:
ПараметрЗначение
длина4780 мм
ширина2380 мм
высота250 мм
масса3740 кг
нормативный документСерия 1.165.1-12

ПРТ 48.24.25   Плиты покрытия плоские для зданий с теплым чердаком Серия 1.165.1-12.