ПТП 11.9
Характеристики изделия:
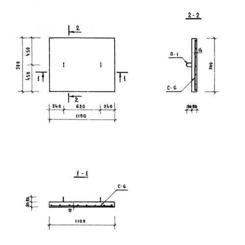
| Параметр | Значение |
|---|---|
| длина | 1100 мм |
| ширина | 900 мм |
| высота | 80 мм |
| вес | 198 кг |
| серия | 1.243-2 |
Цена:
Рассчитать стоимостьПТП 11.9 Плиты плоские по серии 1.243-2.
| Параметр | Значение |
|---|---|
| длина | 1100 мм |
| ширина | 900 мм |
| высота | 80 мм |
| вес | 198 кг |
| серия | 1.243-2 |
ПТП 11.9 Плиты плоские по серии 1.243-2.
