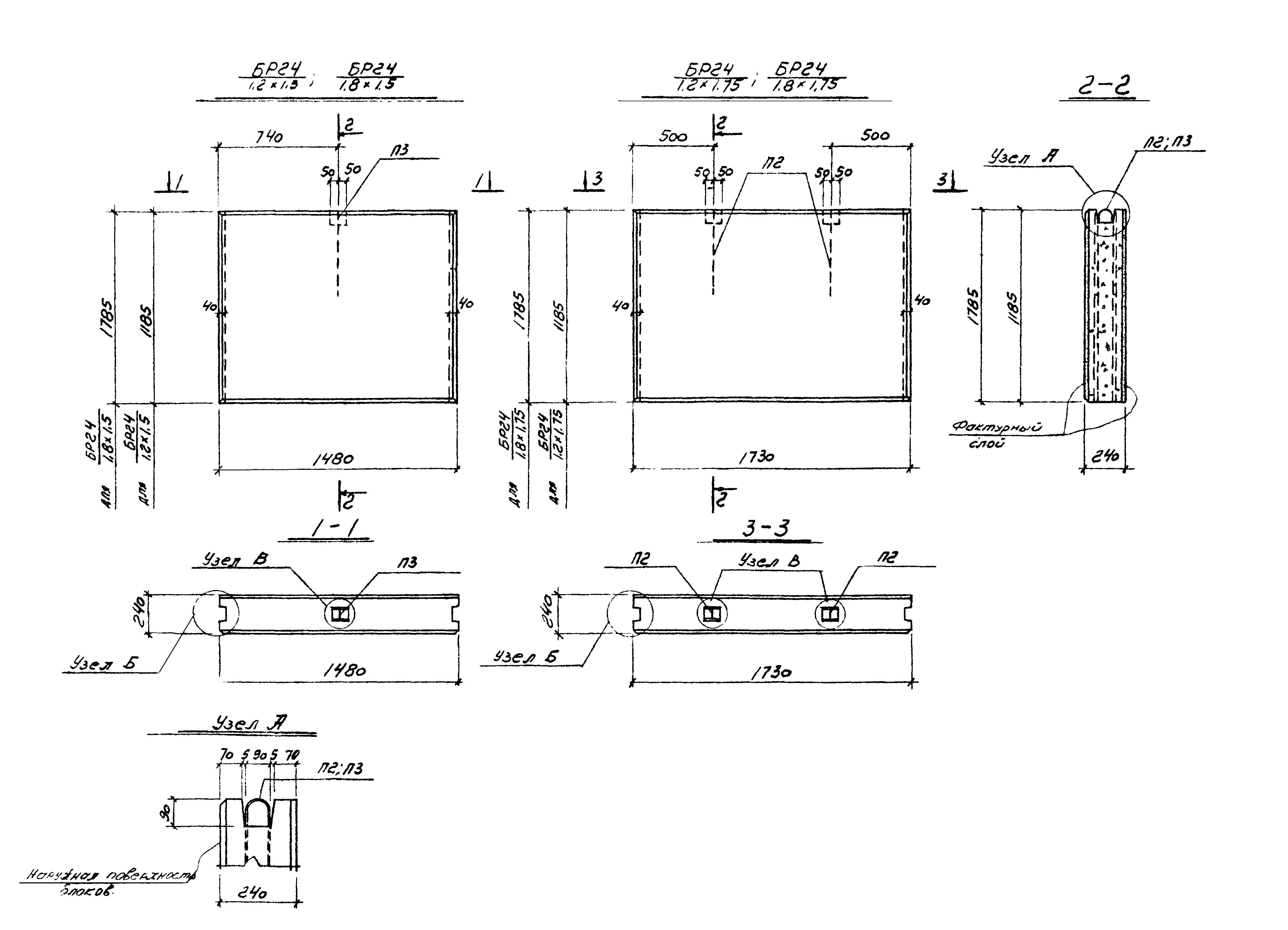
БР 24

Чертеж изделия:
Характеристики изделия:
ПараметрЗначение
длина1750 мм
ширина240 мм
высота1800 мм
вес1210 кг
серия1.262-205 КЖИ1

БР 24 Блоки легкобетонные для встроенных конструкций по серии 1.262-205 КЖИ1.