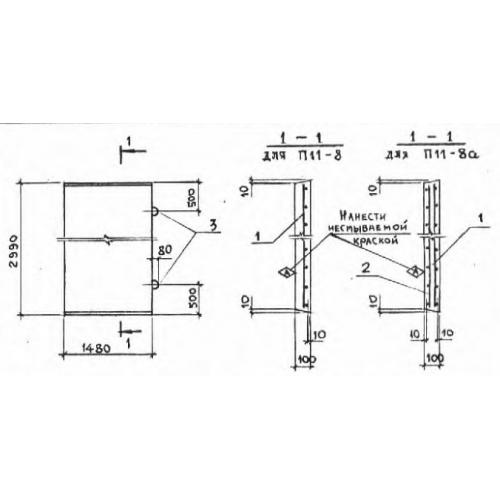
П 11

Чертеж изделия:
Характеристики изделия:
ПараметрЗначение
длина2990 мм
ширина1480 мм
высота100 мм
вес1100 кг
серия3.006-2

П 11 Плиты перекрытия лотков по серии 3.006-2.