ПТО 48

Чертеж изделия:
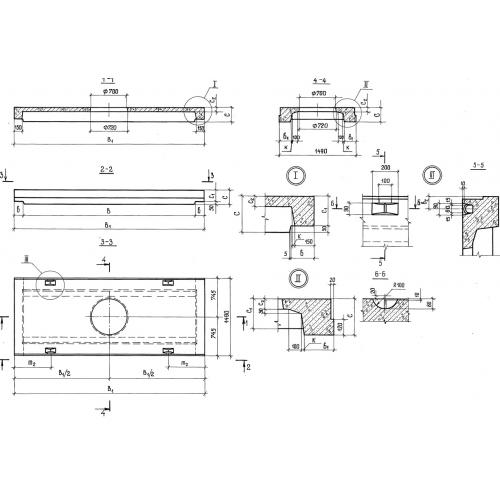
Характеристики изделия:
ПараметрЗначение
длина5200 мм
ширина1490 мм
высота320 мм
масса3050 кг
нормативный документСерия 3.006.1-3/83

ПТО 48  Плиты перекрытия тоннелей с отверстием Серия 3.006.1-3/83.