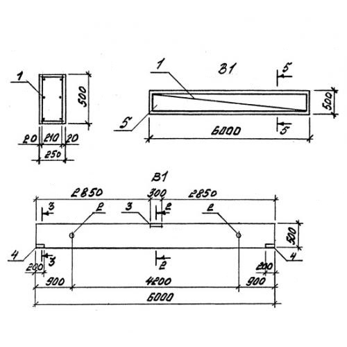
В 1

Чертеж изделия:
Характеристики изделия:
ПараметрЗначение
длина6000 мм
ширина250 мм
высота500 мм
масса1880 кг
нормативный документСерия 3.015-16.94

В 1  Вставки Серия 3.015-16.94