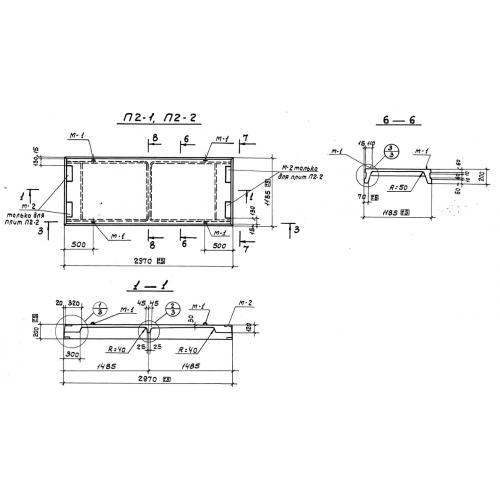
П 2

Чертеж изделия:
Характеристики изделия:
ПараметрЗначение
длина2970 мм
ширина1185 мм
высота200 мм
вес660 кг
серия3.016-3

П 2 Плиты перекрытия по серии 3.016-3.