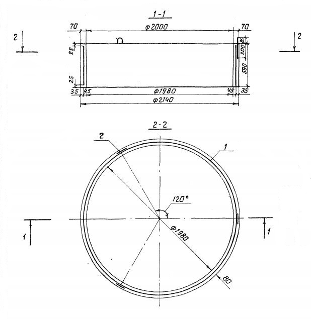
КС 20-1

Чертеж изделия:
Характеристики изделия:
ПараметрЗначение
длина2140 мм
ширина2140 мм
высота590 мм
вес775 кг
серия3.820-9

КС 20-1 Кольца колодцев стеновые по серии 3.820-9.