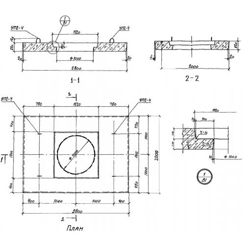
ПД 10 дорожная плита

Чертеж изделия:
Характеристики изделия:
ПараметрЗначение
длина2800 мм
ширина2000 мм
высота220 мм
масса2500 кг
нормативный документСерия 3.900.1-14

ПД 10 Плиты дорожные по Серии 3.900.1-14.