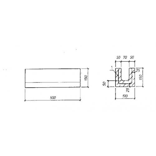
ЛБ 1 лоток

Чертеж изделия:
Характеристики изделия:
ПараметрЗначение
длина500 мм
ширина170 мм
высота150 мм
масса20 кг
нормативный документСерия Б 3.300.1-5.04

ЛБ 1  Лотки бетонные по Серии Б 3.300.1-5.04.