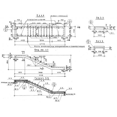
ЛМ 58-14
Характеристики изделия:
| Параметр | Значение |
|---|---|
| длина | 5770 мм |
| ширина | 1150 мм |
| высота | 1400 мм |
| масса | 2190 кг |
| нормативный документ | Серия ИИС 04-7 |
Цена:
Рассчитать стоимостьЛМ 58-14 Лестничные марши по Серии ИИС 04-7.
| Параметр | Значение |
|---|---|
| длина | 5770 мм |
| ширина | 1150 мм |
| высота | 1400 мм |
| масса | 2190 кг |
| нормативный документ | Серия ИИС 04-7 |
ЛМ 58-14 Лестничные марши по Серии ИИС 04-7.
