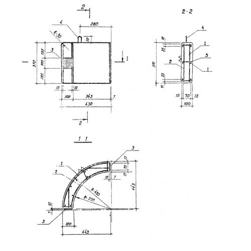
МЖ 2-4

Чертеж изделия:
Характеристики изделия:
ПараметрЗначение
длина450 мм
ширина370 мм
высота443 мм
вес58 кг
серияТП 310-4-1

МЖ 2-4 Малые железобетонные архитектурные формы по проекту ТП 310-4-1.