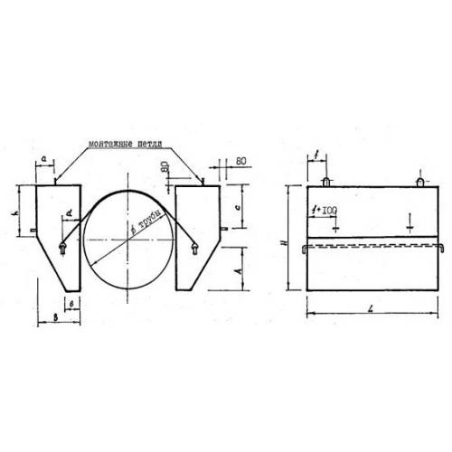
УБОм 820 утяжелители охватывающего типа

Чертеж изделия:
Характеристики изделия:
ПараметрЗначение
длина1500 мм
ширина550 мм
высота1100 мм
масса3378 кг
нормативный документВСН 39-1.9-003-98

УБОм 820 Утяжелители бетонные охватывающего типа ВСН 39-1.9-003-98.